-
CH-1600S翠海脉冲磁场测试特制高斯计
详细信息| 询价留言品牌:翠海 型号:CH-1600S 加工定制:否 测量范围:±10(常规) T 准确度等级:交直流,见参数 显示方式 :液晶显示 CH-1600S翠海脉冲磁场测试特制高斯计
宁波凯诺仪器总代理销售翠海高斯计等磁性能检测设备,目前产品主要有新款触屏手持式高斯计CH-61、CH-63、CH-65,手持式高斯计TX-15、TX-15A、TX-16,一维高斯计CH-1300、CH-1500、CH-1600、CH-1800,二维高斯计CH-2100,三维高斯计CH-3600、CH-3600S、CH-3600G,以及磁通计CH-260、CH-290,磁通门计CH-310、CH-310A、CH-330、CH-330F、CH-350、CH-370以和新款CH-82便携式三维磁通门计,以及多维磁场测试系统F-30等。
一、CH-1600S翠海脉冲测试特制高斯计主要用于脉冲磁场测试,和探头传感器,高速采集卡及电脑一起组成整套脉冲磁场测试系统,通过电脑软件来控制采集卡和高斯计,一起将采集到的脉冲信号显示在软件中。该系统可广泛应用于盆地磁刺激治疗仪、经颅磁刺激仪等磁刺激治疗仪的脉冲磁场测量,磁场测量范围单峰值可到15T,脉宽可达到us级别。另外本套测量系统也广泛应用于高频加热炉等测量高频磁场的环境中。

二、CH-1600S翠海脉冲磁场测试特制高斯计系统介绍:
(一)高斯计
CH-1600型全数字高斯计/特斯拉计适合要求高测试精度,高分辨率的磁场测试应用。测量范围从直流到50KHZ的交流磁场。自动较零,自动量程。保持模式可选MAX值,MIN值,峰值和谷值。仪表可同时测量和显示6种参数。测量单位可选高斯,特斯拉,A/M或Oe。仪表带RS-232C/USB接口。按照ISO-9001标准设计及生产。明亮的VGA彩色图形显示,全菜单操作,7位读数,极高分辨率1/600000,使您在高磁场测量时能观查到0.01Gs的微弱变化,*大量程100KG(10T),其大容量数据存储及数据阅读可按存储时间查询。高精度高速数字与模拟信号输出。产品主要销往各大研究所,大学和大型企业工厂的研究部门。

【技术参数】:
1.量程:±10T/±100KG(常规)600μT/6Gs(弱磁探头)
2.分辨率:1mG/0.1uT(标配)0.1mG/0.01uT(弱磁探头)
3.精度 (显示值):
直流 读数的±0.20%±0.05%量程
交流 读数的±1%±0.5%量程
4.频率范围:
直流模式 DC
交流模式(有效值)0-50kHz
频率显示范围 1-9999Hz
5.模拟输出(X.Y.Z):输出电压:±3V F.S.
6.模拟接口:BNC-±3V-±3T
7.附加影响:温度系数±(0.02% ±1 count)/ ℃
8.工作温度:0℃~+50℃
9.储存温度:-20℃~+60℃
10.通信接口:RS-232/USB/BNC
11.面板显示:VGA 320*240像素3.5英寸彩屏
12.电源:220V/50-60 Hz
13.探头选择:CH-1600高斯计可配常规及耐高低温一维探头、单轴探头、横向探头
(二)采集仪采集仪型号
通道数
采集频率
采集量级
CH-UA500-1
1
50KHz
毫秒级
CH-UA327H
1
1MHz
微秒级
(1)CH-UA500-1型采集仪
CH-UA500型网口采集仪是一款高速高精度网口采集仪,优势特点是: 24位A/D,高动态范围,高精度;*高采样频率 50KHz/每通道。采样频率1-50000Hz可任意精确设定,分辨到1Hz,可任意设置采集通道。支持有线无线各种网络传输方式。可独立自动采集存储工作。亦可加装触摸屏构成现场采集、移动采集或手持式采集设备。可广泛应用于科学实验和工业控制领域。
可选同步时钟接口,更多通道应用可多台并联应用,可实现多台同步采集。
现可提供全功能采集监测分析软件,适宜全方位测量。
【技术参数】:
1.A/D:
●A/D分辨率∶24bit∶精度∶0.01%(满量程)
●*高采样频率∶50KHz/每通道.可任意设置采样频率,步长1Hz
●模入通道数∶1通道同步
●基本量程∶±2.5V、+5V、±10V可选。差动或单端可选
●每路可加装独立前置程控放大器∶1、10、100、1000
●可选装ICP传感器接口通道,带2-4mA/15-24V恒流源,直连ICP传感器,无需任何外加电路和适配器
●可选同步时钟接口,实现多台同步采集
2.D/A:
●可选装2-3路D/A、任意波形发生器、DDS卡
3.DI/DO:
●8DI/8DO
●TTL电平
4.外部接口:
●100兆网口,TCP/IP协议
●串口(232)
●选装SD卡2-32G
●USB Host接口,可接U盘,移动硬盘
●选装WiFi无线网卡,3G网卡,选装GPS模块
●选装触摸屏,WinCE系统
5.形式
●一般以小机箱形式提供,Q9头输入。也可板卡提供。
●交流220V供电或5V直流供电。可选5-15V宽范围直流供电。
6.传输方式:
●有线
●无线
(2)CH-UA327H型采集仪
CH-UA32H7型A/D采集器是一款新型USB总线数据采集产品, 采用USB2.0接口与计算机相连,具有4路同步,高精度,小体积,低功耗,可带电拔插,无需外用电源等特点。是笔记本机数据采集的很好选择,亦适用于各种台式计算机工控机。该产品采用美国新型低功耗,16位高速4路同步A/D转换芯片, 电路设计及布线讲究.可广泛应用于科学实验和工业控制领域。
4通道同步16bit 1MHz/每通道 USB型 A/D采集器
【技术参数】:
1.A/D部分:
●A/D分辨率:16bit;精度:0.05%(满量程)
●*高采样频率::UA327H型1MHz/每通道
●模入通道数:4路同步,单端
●模入范围:±10V或±5V
●触发方式:定时器触发,软件触发
2.数字量l/O:
●8DI/8DO
●TTL电平兼容
3.形式
●小盒式(200*100*30),BNC (Q9)插座输入,USB电缆供电。
●板卡形式提供(100mm*90mm) ,可方便地嵌入您的仪器系统内。
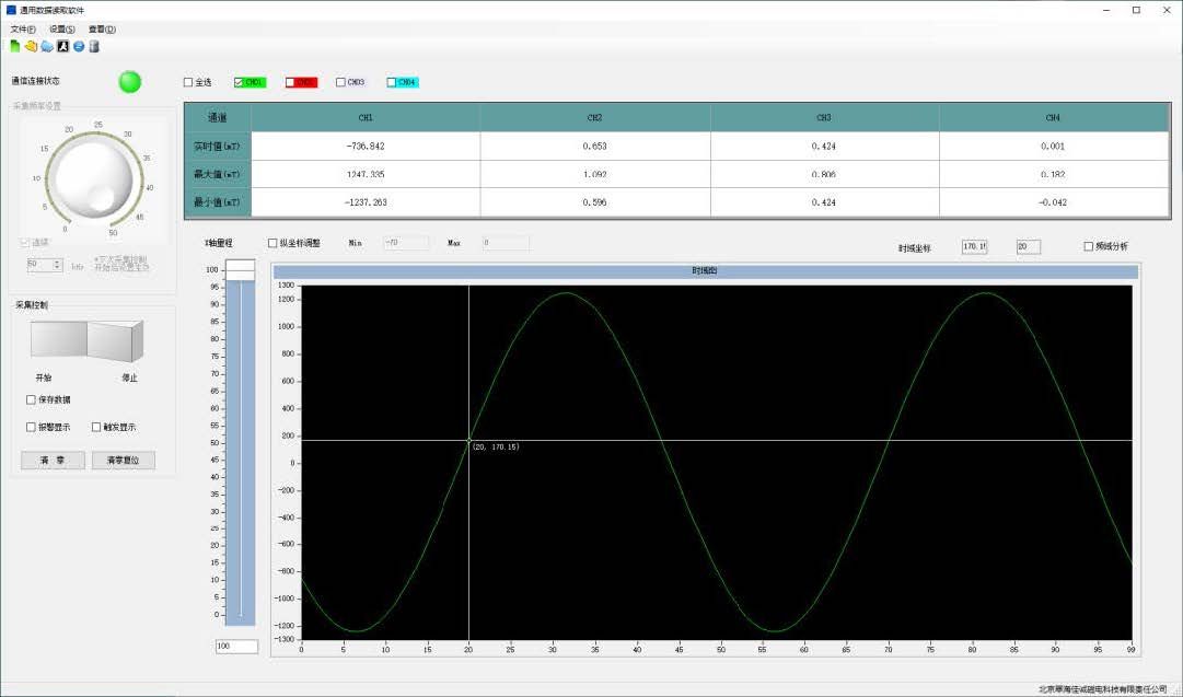
三、CH-1600S翠海脉冲测试特制高斯计软件介绍:
(1)软件功能
自定义调节采集频率
实时查看时域交流波形和峰值
实时可分析采集波形的频域图形(FFT)
可设置幅值抓取单峰或者脉冲信号
可设置报警阈值,实时显示OK/NG
随意选取通道,查看并放大通道波形
显示实时值、*大值、*小值
记录并导出数据至Excel
(2)抓取脉冲磁场参数设置

宁波凯诺仪器在仪器设备销售领域拥有十多年丰富经验,与国内外仪器各大-品牌多年深度合作,主营代理爱华声级计噪声振动测量分析设备、建筑声学测量系统、吸声隔声测量系统等以及NTi/Svantek等进口品牌以及相关环境检测设备,磁性能测试仪器包括ZOYAN硅钢片矽钢片铁损测试仪、硅钢铁芯测量、翠海磁通计/高斯计、多极磁环永磁软磁等材料测量等,蔚仪金相试验仪器包括金相试样切割机、磨抛机、镶嵌机、金相显微镜、金相软件等全套设备,3nh等多个品牌色差仪/分光测色仪、单角度多角度光泽度仪、北京时代等品牌无损检测设备以及相关进口品牌仪器,瑞典easy-laser激光轴对中仪测量系统,国内各大-品牌电学检测、力学检测、实验室电化学检测以及非标定制设备,欢迎广大客户和经销商前来咨询采购! -
-
产品搜索
-
产品分类
-
声级计/噪声振动分析仪
-
环境专用监测检测仪器
-
硅钢片铁损测试仪
-
磁场测量仪器
-
声像仪热像仪
-
防静电专用仪表
-
Easylaser激光对中仪测量系统
-
激光测径仪
-
漆包线专用检测仪器
-
磨加工主动测量控制仪
-
金相试样切割机
-
金相试样研磨抛光机
-
金相试样镶嵌机
-
金相/光谱试样砂带磨样机
-
金相/体视显微镜及分析软件
-
金相试样耗材/辅料
-
工业硬度计
-
测厚仪
-
粗糙度测量仪
-
机械振动测试仪测振仪
-
怡信影像测量仪
-
精密色差仪/分光测色仪/光源箱
-
单角度/多角度光泽度仪
-
实验室及水质分析仪器
-
电学检测设备
-
力学检测仪器
-
工件质量检测/工程测控
-
环境试验箱
-
水份测试仪/红外测温仪/温度仪
-
福禄克系列产品
-
涂料漆膜磨耗粘胶测试仪
-
进口量具量仪
-
以色列诺佳磁性表座表架
-
国产磁性表座工量具万力吊重器
-
管道漏水检测仪
-
工业内窥镜
-
联系方式
- 联系人:刘霞
- 电 话:0574-55008768
- 手 机:15058879207
- 传 真:0574-55008769
- 邮 箱:1828657507@qq.com
- 邮 编:315800
- 地 址:宁波市北仑区长江国际大厦B幢1015
- 网 址: https://liu1973.cn.goepe.com/
http://www.knyq18.com
-
产品上新
-
物理因素暴露计适用校准器AHAI3011 -
新标准手传振动校准器AHAI3011 -
AWA6071A爱华便携式振动校准器 -
AWA6071A爱华手传振动校准器 -
新标准物理因素手传振动测量仪AHAI3302系列 -
个体噪声+三轴向手传振动同步测试AHAI3302 -
AHAI3302爱华智能手传振动新标测定仪 -
GBZ/T 189.9-2025三轴向手传振动暴露计AHAI3302V -
GBZ/T 189.9-2025手传振动合规测定仪AWA5937爱华 -
工作场所手传振动检测仪爱华AWA5937 -
AWA5937爱华新款三轴向手传振动测定仪 -
AWA5937爱华手传振动新标准测定仪 -
多频活塞发声器爱华智能AHAI2611 -
AHAI2611爱华智能LS级活塞发声器 -
AWA6012爱华1级活塞发声器 -
AWA6011爱华活塞发声器 -
爱华AWA6228a噪声振动分析仪总代 -
爱华声级计标准测量AWA6228a -
AWA6228A爱华NR/NC噪声曲线声级计 -
AWA6228A爱华噪声频谱分析仪
-
电子样本



